CONSTRUCTION OF GUARD WALL AT BHUERPADA TO TALBAHAL ROAD OF KARAMTALA GP
OD/345/3295/115996/421051/00064320
SFC Devolution of Fund
5TH SFC DEVOLUTION GRANT TO PANCHAYAT SAMITI
CD Work
Drain Masonry or Cement Concrete
-
Download
dfgdsfdsfs

Balangir
Saintala
Karamtala

Stage wise Geo-tag Photo:

Before
Status Image
  • Latitude: 20.4790167
  • Longitude: 83.23599
  • Date & Time: 11 Feb 2026, 05:38 PM
Transparency Board
Status Image
  • Latitude: 20.478698
  • Longitude: 83.2359511
  • Date & Time: 11 Feb 2026, 05:38 PM
During
Status Image
  • Latitude: 20.4790409
  • Longitude: 83.2360477
  • Date & Time: 11 Feb 2026, 05:38 PM
Completed
Status Image
  • Latitude: 20.4787168
  • Longitude: 83.2359873
  • Date & Time: 11 Feb 2026, 05:38 PM

200000
199998.00
2
Download

Stage Officer Date Started Date Completed Status
Case Record Opened PURUSOTTAM MIRDHA (BDO) 12-11-2025 12-11-2025 Approved
Estimate Preparation PURUSOTTAM MIRDHA (BDO) 12-11-2025 26-12-2025 Approved
Technical Sanction SANTOSH BEHERA (AEE) 26-12-2025 31-12-2025 Approved
Administrative Approval PURUSOTTAM MIRDHA (BDO) 31-12-2025 31-12-2025 Approved
Work Order Issued PURUSOTTAM MIRDHA (BDO) 31-12-2025 31-12-2025 Generated
Execution In Progress Gobinda Majhi (AE / JE) 31-12-2025 19-01-2026 Approved

# Name Action
1 Cover Page View Download
2 Sanction File View Download
3 Ordersheet View Download
4 Location Map View Download
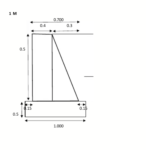
5 Drawing View Download
6 Work site photo View Download
7 Quarry Document View Download
8 Estimate Cover Page View Download
9 Detail Estimate View Download
10 Abstract Estimate View Download
11 Estimation DPR View Download
12 Lead Statement View Download
13 Analysis View Download
14 Technical Sanction View Download
15 Administrative Approval View Download
16 Work Order View Download
Miscellaneous Document
17 Document 1 View Download
18 Document 2 View Download
19 Document 3 View Download
1st & Final Bill
20 Attac (BRM029) View Download
21 Attac (BRM340) View Download
22 Attac (BRM028) View Download
23 Attac (BRM044) View Download
24 Attac (BRM104) View Download
25 Attac (BRM092) View Download
26 Attac (BRMM402) View Download
27 Attac (BRMM401) View Download
28 Geo Tagging View Download
29 Merged Bill Measurement View Download
30 Completion Document View Download